Here's an
updated, from-the-bottom-up repro of the 1484 manual in PDF
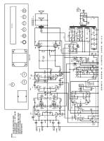
format, courtesy of Silvertonian Rick. A technical writer by day, Rick re-built
the manual and re-did the schematic to correct "several
schematic errors which cost me hours of troubleshooting grief and an expensive
1960's Diode."
Visit his build-it-yourself ribbon mic
website.

Introduced: 1963
Retired: 1967
<=Back to 1484 main page
Click graphic for PDF version of manual/schematic


Click here for JPG version.
Pg.
1,
2,
3,
4
or
All four pages ZIPPED


The manual/schematics that came with Silvertone amps have proved to be
valuable assets to collectors and repair techs over the years. This reproduction
manual corrects some errors for Chassis #11040, the most common rev of this
popular amp. Thanks to Silvertonian Rick for taking the time to share his
expertise.
Click for Sears catalog listings
